PDF文档信息
Vip.2
名称:2025.03.03-江苏省城镇排水管道非开挖修复工程量计算标准.pdf

2025年3月3日,江苏省住房和城乡建设厅为完善江苏省市政工程计价体系,推进城市更新工程中排水管道非开挖修复技术的广泛使用,制定《江苏省城镇排水管道非开挖修复工程量计算标准》。

本费用计算规则适用于我省行政区域内的城镇排水管道非开挖修复工程。本费用计算规则暂与《江苏省建设工程费用定额》(2014年)配套使用。

文档第1页
第 1 页
文档第2页
第 2 页
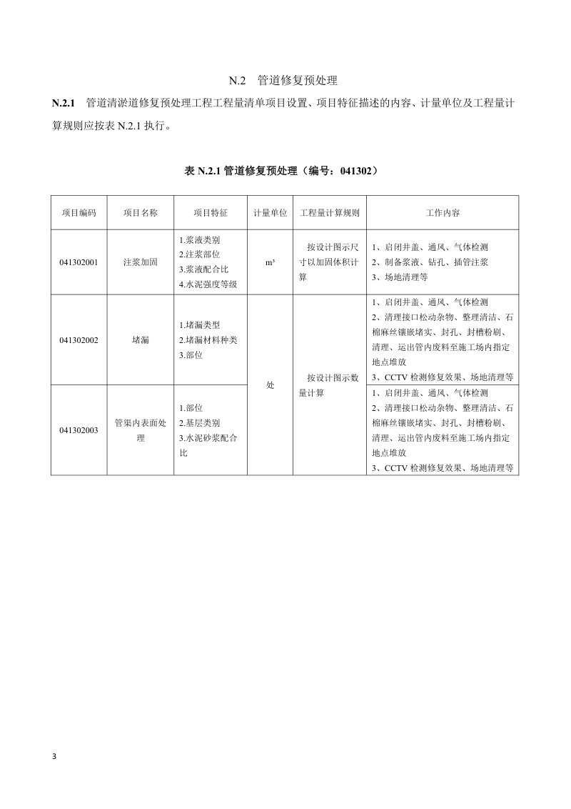
文档第3页
第 3 页
可免费试读【3页/共6页】

下载本地,更方便阅读

免责声明: 本站文档均来自互联网及网友上传分享,本站只负责收集和整理,文档内容版权归原创作者所有,其原创性及文中陈述文字和内容仅代表作者个人观点,仅供个人学习研究,严禁用于商业用途,下载后请于24小时内删除。转载是为传递及宣传国家与地方政府规划、建设与管理等相关政策和经验;本站部分资源采取捐赠下载,本站不以此盈利,所获捐赠将支付分享者及网站服务器和带宽支出。如果您对原创归属及转载有异议,或涉及版权问题,请点击"举报",我们将补齐出处或者删除;转载本站内容请注明出处。